Products
News
更新時間:2016-11-04

| 公稱通徑DN(mm) | 15 | 20 | 25 | 32 | 40 | 50 | 65 | 80 | 100 | 125 | 150 | 200 |
| 額定流量系數KV | 21 | 38 | 72 | 112 | 170 | 273 | 384 | 512 | 940 | 1452 | 2222 | 3589 |
| 公稱壓力(MPa) | PN1.6、2.5、4.0、6.4 MPa;ANSI 150、300LB | |||||||||||
| 閥體形式 | 法蘭式:分體式鑄造球閥;對夾式:整體式鑄造閥體 | |||||||||||
| 連接形式 | 法蘭式、對夾式 | |||||||||||
| 閥芯形式 | "O"型球形閥芯 | |||||||||||
| 泄露量Q | 按GB/T4213-92,小于額定KV0.01% (軟密封:零泄露) | |||||||||||
| 基本誤差 | 帶定位器:小于全行程的±2% | |||||||||||
| 回差 | 帶定位器:小于全行程的±2% | |||||||||||
| 可調范圍 | 250:1 | 350:1 | ||||||||||
| 配置執行機構 | GT、AT、ST系列單雙作用氣動執行器 | |||||||||||
| 控制方式 | 開關兩位控制、4~20mA模擬量信號控制 | |||||||||||
| 執行器型號 | GT、AT、ST系列單雙作用氣動執行器 |
| 供氣壓力 | 0.4~0.7MPa |
| 氣源接口 | G1/4"、G1/8"、G3/8"、G1/2" |
| 環境溫度 | -30~+70℃ |
| 作用形式 | 單作用執行機構、雙作用執行機構 |
| 可配附件 | 定位器、電磁閥、空氣過濾減壓器、保位閥、行程開關、閥位傳送器、手輪機構等 |
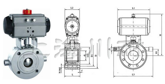
| 公稱通徑 | 外形尺寸 | ||||||
| d | L | L1 | L2 | L3 | H | H1 | |
| 15 | 14 | 35 | 140/178 | 62/75 | 150 | 170/176 | 15 |
| 20 | 19 | 38 | 140/178 | 62/75 | 160 | 175/181 | 20 |
| 25 | 25 | 42 | 140/214 | 62/91 | 190 | 180/214 | 20 |
| 32 | 29 | 50 | 164/214 | 75/91 | 210 | 215/243 | 25 |
| 40 | 38 | 60 | 164/246 | 75/101 | 230 | 225/263 | 30 |
| 50 | 48 | 70 | 190/295 | 91/112 | 250 | 248/274 | 30 |
| 65 | 64 | 95 | 210/295 | 101/112 | 270 | 258/284 | 45 |
| 80 | 76 | 118 | 247/395 | 112/139 | 300 | 300/326 | 50 |
| 100 | 95 | 140 | 276/478 | 127/176 | 340 | 315/370 | 70 |
| 125 | 112/118 | 175/195 | 348/562 | 159/206 | 360 | 375/440 | 80 |
| 150 | 135/150 | 210/260 | 378/724 | 176/228 | 420 | 428/500 | 95 |

![]() |
福建龍巖**手機用戶(該用戶設置隱藏) |
|
| 安裝調試使用效果非常好,沒有什么問題,蠻不錯的 | ||
| 2018年7月5日 | 贊(51) | |
![]() |
陜西漢中**手機用戶(該用戶設置隱藏) |
|
| 安裝調試使用效果非常好,沒有什么問題,蠻不錯的 | ||
| 2017年3月5日 |
贊(52) |
|